Product Summary
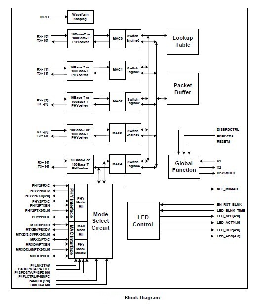
The RTL8305SC is a five ports ethernet switch controller that integrates memory, five macs, and five physical transceivers for 10base-t and 100base-tx operation into a single chip. All ports supports 100base-fx, which pins with utp ports and needs no sd+/- pins, a development using realtek proprietary technology. To compensate for the lack of auto-negotiation in 100base-fx applications, the RTL8305SC can be forced into 100base-fx half or full duplex node, and can enable or disable flow control in fiber mode.
Parametrics
Absolute maximum ratings:(1)Vcc supply referenced to GND: -0.5 to +4.0V; (2)Digital input voltage: -0.5 to VDD V; (3)DC output voltage: -0.5 to VDD V.
Features
Features:(1)5-port intergrated switch controller with memory and transceive for 10base-t and 100base-tx; (2)supports the fifth port mac circuit as phy mode mii, sni for router application, and mac mode mii for homePNA or VDSL solutions; (3)supports the fifth port MAC circuit as PHY mode MII, SNI for router gateway application; (4)supports FEFI function for fiber application; (5)supports broadcast storm flitering function; (6)supports mac and phy loopback function for diagnosis; (7)supports up to 16 vlan groups; (8)flexible 802.1Q port/tag-based VLAN; (9)ARP VLAN for broadcast packets.
Diagrams

![]() |
![]() RTL8019 |
![]() Other |
![]() |
![]() Data Sheet |
![]() Negotiable |
|
||||
![]() |
![]() RTL8019AS |
![]() Other |
![]() |
![]() Data Sheet |
![]() Negotiable |
|
||||
![]() |
![]() RTL8019AS-LF |
![]() Other |
![]() |
![]() Data Sheet |
![]() Negotiable |
|
||||
![]() |
![]() RTL8029AS |
![]() Other |
![]() |
![]() Data Sheet |
![]() Negotiable |
|
||||
![]() |
![]() RTL8100B(L) |
![]() Other |
![]() |
![]() Data Sheet |
![]() Negotiable |
|
||||
![]() |
![]() RTL8100C |
![]() Other |
![]() |
![]() Data Sheet |
![]() Negotiable |
|
||||
(Hong Kong)








