Product Summary
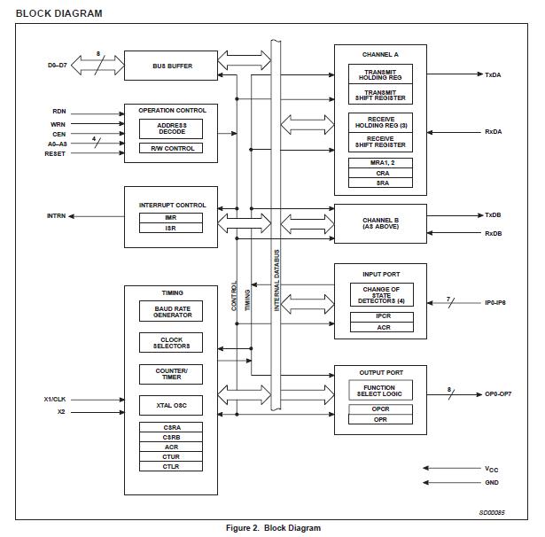
The Philips Semiconductors SCN2681AC1N28 Dual Universal Asynchronous Receiver/Transmitter (DUART) is a single-chip MOS-LSI communications device that provides two independent full-duplex asynchronous receiver/transmitter channels in a single package. The SCN2681AC1N28 interfaces directly with microprocessors and may be used in a polled or interrupt driven system.
Parametrics
SCN2681AC1N28 absolute maximum ratings: (1)Storage temperature range: -65 to +150 ℃; (2)All voltages with respect to ground3: -0.5 to +6.0 V.
Features
SCN2681AC1N28 features: (1)Dual full-duplex asynchronous receiver/transmitter; (2)Quadruple buffered receiver data registers; (3)Programmable data format: 5 to 8 data bits plus parity, Odd, even, no parity or force parity, 1, 1.5 or 2 stop bits programmable in 1/16-bit increments; (4)Programmable baud rate for each receiver and transmitter; (5)selectable from: 22 fixed rates: 50 to 115.2k baud 16-bit programmable Counter/Timer, Non-standard rates to 115.2Kb, One user-defined rate derived from programmable; (6)timer/counter; (7)External 1X or 16X clock; (8)Parity, framing, and overrun error detection; (9)False start bit detection; (10)Line break detection and generation.
Diagrams

![]() |
![]() SCN2651 |
![]() Other |
![]() |
![]() Data Sheet |
![]() Negotiable |
|
||||
![]() |
![]() SCN2652 |
![]() Other |
![]() |
![]() Data Sheet |
![]() Negotiable |
|
||||
![]() |
![]() SCN26562 |
![]() Other |
![]() |
![]() Data Sheet |
![]() Negotiable |
|
||||
![]() |
![]() SCN2661 |
![]() Other |
![]() |
![]() Data Sheet |
![]() Negotiable |
|
||||
![]() |
![]() SCN2674 |
![]() Other |
![]() |
![]() Data Sheet |
![]() Negotiable |
|
||||
![]() |
![]() SCN2681 |
![]() Other |
![]() |
![]() Data Sheet |
![]() Negotiable |
|
||||
(Hong Kong)








